SiC MOSFET 的單管額定電流受晶片面積、封裝散熱、導通電阻等因素限制,常見的單管額定電流多在幾十到兩百安培,而軌道交通、新能源併網、高壓逆變器等場景,往往需要千安級的電流輸出,單管無法滿足。因此,SiC MOSFET的並聯應用的場景越來越普遍。
SiC MOSFET 的單管額定電流受晶片面積、封裝散熱、導通電阻等因素限制,常見的單管額定電流多在幾十到兩百安培,而軌道交通、新能源併網、高壓逆變器等場景,往往需要千安級的電流輸出,單管無法滿足。因此,SiC MOSFET的並聯應用的場景越來越普遍。
不管是SiC MOSFET還是IGBT,並聯的目標都是實現電流的均勻分佈,且消除晶片間的振盪。為了達到這個目標,我們需要做到三點:
1. 並聯晶片參數盡可能一致
2. 功率迴路、驅動迴路與散熱結構佈局一致
3. 閘極驅動電路的最佳化設計
作為高速開關裝置,SiC MOSFET使其並聯應用面臨與IGBT不同的挑戰。以下將詳細解釋在實際應用中如何實現以上三點。
導通電阻Rᴅs₍ₒₙ₎失配會導致靜態電流不平衡。這個原理很好理解,MOSFET導通電流時類似電阻,電流會集中在電阻小的路徑。但好在SiC MOSFET的導通電阻是正溫度係數,此特性能有效地對靜態電流不均勻形成負回授。即電流更集中的元件結溫較高,導通電阻明顯升高,電流轉向另外的低阻抗通路,進而達到自動均流的效果。 MOSFET導通電阻正溫度係數越明顯,靜態電流不均衡的抑制效果越顯著。
英飛凌SiC MOSFET系列裝置由於採用了溝槽柵極技術,其導通電阻具有非常強烈的正溫度係數,對靜態不均流具有良好的抑製作用。同時,英飛凌所有裝置的導通電阻都具有非常低的離散度。下圖是英飛凌650V SiC MOSFET導通電阻與平面柵廠商的對比,可以看到,不論額定電阻多少,英飛凌Rᴅs₍ₒₙ₎最大值對比典型值的比例都是最低的。
除了靜態均流,動態電流不均衡也是困擾並聯的一大難題。 SiC MOSFEST閾值電壓不匹配是晶片層面導致動態不均流的主要因素。與導通電阻不同,SiC MOSFET閾值電壓呈現負溫度係數,意味著閾值電壓越低的裝置,在開通時越容易分到更多的電流,結溫升高更明顯,閾值電壓下降,導致下次開通時得到的電流更高。 SiC MOSFET此特性非常不利於均流,所以門檻Vɢs₍ₜₕ₎一致性的配對就非常重要。不僅常溫下閾值要高度匹配,閾值的溫度曲線也要盡量一致。
英飛凌SiC MOSFET閾值電壓具有高度一致性。我們測試了4個品牌的各70pcs裝置的閾值電壓,其中M1是英飛凌的裝置。可以看到,英飛凌最大的閾值偏差僅為0.3V,75%的裝置偏差值在0.2V以下,明顯低於其它廠家,其中M4偏差最大,達到了0.6V,是英飛凌的兩倍。
除了常溫閾值的嚴格一致性,相對於平面柵廠家,英飛凌CoolSiC™ 產品具備更低的柵極源閾值電壓溫度係數,這使得其對動態電流不均流的正回饋就非常弱。此特性可保障並聯運轉的穩定性,因此具有顯著優勢。
英飛凌SiC MOSFET之所以具有良好的閾值一致性以及穩定性,是源自於溝槽柵狀結構的天然優勢。 MOSFET的閾值電壓Vɢs₍ₜₕ₎ 是使元件開始形成導電通道所需的最小閘極與源極之間的電壓。在平面柵狀結構中,溝道形成於矽片表面,容易受到後續離子注入、退火等製程的影響。而在溝槽柵結構中,溝道掩埋於矽片內部,且溝槽內填充多晶矽,可有效保護溝道不受後續製程影響,從而保證了閾值的一致性。
▪︎ 源極迴路電感負回饋
如圖所示,如果功率迴路和驅動迴路共用源極,則元件開啟時的電流變化率di/dt會在源極電感產生感應電壓V=L*di/dt。感應電壓與驅動電壓方向相反,相當於減弱了門極驅動能力,使得開通速度變慢。如果兩個並聯的裝置源極回授不一致,就會導致兩個管子開通速度不一致,進而影響動態均流。
下圖給出了源極迴路不對稱的常見案例。對於插件式封裝,例如TO247,腳位長度不一致,就會造成源極電感失配。
對於貼片式D²PAK 封裝,裝置一左一右放置,右邊的裝置源極路徑就會比左邊裝置更長。
PCB布版中兩個導電層相交疊就會形成電容。如果這個寄生電容出現在汲極和閘極之間,相當於增加了裝置的米勒電容Cɢᴄ ,使得關斷時dv/dt變慢。
在下圖的範例中,右邊的裝置的閘極引線與汲極引線交疊,這裡就會產生一個額外的寄生電容Cɢᴄ。
主功率換流迴路不對稱會造成源極電感與汲極電感不對稱,不僅會造成電流及損耗的不平衡,也會造成電壓過衝的不均衡。
典型的PCB佈局及改善方法如下圖所示。初版設計中兩個D 2 PAK元件左右放置,源極與汲極功率走線分別朝左右走線。所在左邊裝置的汲極電感L D較高,右邊裝置的源極電感L S較高。改版之後,雖仍保持裝置左右放置,但功率走線從垂直方向引出,這樣就證了兩個裝置功率迴路對稱。
散熱路徑的不對稱,也會對並聯均流造成很大影響。在下面的例子中,並聯的單管元件在散熱器上左右放置,冷卻液左進右出,會造成從左到右明顯的溫度梯度。改善後的佈局,冷卻液上進下出,並增加了擾流槽,溫度梯度呈上下分佈,左右兩邊的裝置散熱環境一致。
從前面的分析可得知,晶片參數、功率佈局等因素都會影響均流。即使裝置經過嚴格篩選,PCB也經過精心設計,這些失配因素也無法徹底消除。這時我們可以透過驅動電路的設計進一步降低這些失配因素對並聯均流的影響。
對於驅動電阻的設計,建議使用以下配置網路:
▪︎ 具有輔助源極的裝置並聯,輔助源極會形成電流迴路,可以使用發射極限流電阻R s ,抑制源極電阻環流。
這結論可以通仿真驗證。兩個SiC MOSFET並聯,給其中一隻的漏極和閘極間額外加一個小電容C gc1,模擬轉移電容失配。
透過模擬可得開通與關斷的波形,虛線為方案1,可見開關瞬間兩管間電流偏差較大。
第二種方案將共同電阻R_c提升至4Ω,而獨立電阻R_i降低至2Ω,如實線所示,動態均流有了很大改善。
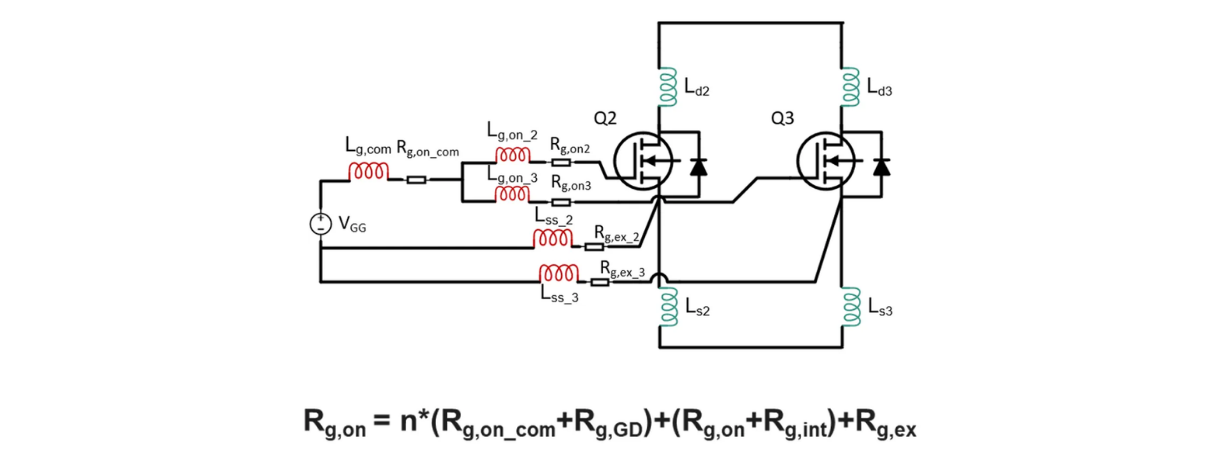
並聯的裝置使用源極電阻R_g,ex、共同閘極電阻R_g,on_com、獨立閘極電阻R_g,on之後,總等效電阻為:
對於各電阻取值建議:
▪︎ 開爾文源極鎮流電阻R g,ex典型值0.5ohm。
▪︎ 使用分立電阻+功率元件內部電阻約50%,共同電阻+驅動器內阻約50%為起始值,測試均流與震盪效果,再依實際結果微調電阻。
▪︎ 閘極電阻精度小於1%,尤其在使用低導通電阻元件時。
閘極驅動設計對高速並聯至關重要。建議使用共同電阻、獨立電阻以及開爾文源極鎮流電阻。
綜上所述,SiC MOSFET並聯儘管充滿挑戰,但我們仍有方法可以應對。首先使用參數盡可能一致的管芯,而英飛凌SiC MOSFET因為溝槽柵極結構和嚴格的製程管控,在各個參數上都具有良好的一致性。其次,系統設計非常重要,驅動迴路、功率迴路及散熱佈局要盡量對稱,對性稱可以透過交換元件交叉驗證。最後,閘極電阻網路的最佳化設計能夠弱化晶片參數失配及佈局不對稱對均流的影響,建議同時使用共同電阻、獨立電阻以及開爾文源極接腳電阻。
如您有興趣得產品想要了解,請填寫以下表單,我們誠摯的歡迎您的訊息
STEP
STEP
Total 0
聯繫電話
姓名、 稱謂、 公司名稱、 聯繫電話、 E - Mail 、 主旨、 驗證碼 欄位格式輸入錯誤
姓名
稱謂
公司名稱
聯繫電話
主旨
其他問題
