❶ 英飛凌IGBT7系列晶片大解析
IGBT7從2019年問世至今,從首發的T7,到成為擁有S7,H7,T7,E7,P7等完整系列的大家族。這幾大系列之間,究竟有何差別?它們各自的適用領域又都在哪裡?今天這篇文章就帶大家一起來解析一下。
❷ IGBT的電流是如何定義的
英飛凌IGBT模組型號上是標稱電流,是基於一定的殼溫計算得到的集電極直流電流,與實際IGBT開關輸出電流並不是一個概念。
系統設計原則一:IGBT的最高工作結溫不允許超過T vjmax。
系統設計原則二:IGBT最大電流取決於脈衝電流能力和反偏安全工作區,也就是IGBT關斷電流能力,一般是兩倍的標稱電流,設計中關斷電流不能超過反偏安全工作區,那麼系統設計是安全可靠的。
❸ 經典導讀:IGBT驅動電流行為綜述
文章剖析了IGBT驅動電流的基本概念,透過實測案例和理論分析,揭示了在不同閘極電壓下,寄生電感如何影響IGBT的開關速度和損耗;探討了驅動設計時如何選取合適的驅動電流,以確保既滿足驅動能力要求,又避免引起開通振盪。對於從事IGBT應用及相關領域研究的工程師與技術人員來說,無疑具有重要的參考價值!
➍ 經典導讀:IGBT損耗計算
文章透過比較理想的開啟波形和實際開啟波形,詳細推導了開啟損耗的計算公式,並提出了分段近似計算的方法來處理實際波形中的非線性部分。對於導通損耗,文章指出了Vce與Ic的關聯性,並給出了利用實際測試波形和規格書中的Vce-Ic曲線進行計算的步驟。
❺ 碳化矽何以英飛凌? —— 溝槽柵技術可靠度真相
全社會都在積極推動低碳化轉型,而低碳化的背後其實是電氣化。在新型電氣能源架構中,相較於從前,一次能源到終端用戶的能源轉換次數增加。雖然再生能源是免費的,但是這種多層級的能源轉換,每一步都會帶來一定的能耗損失,因此追求更有效率的能源轉換效率至關重要。
➏ 碳化矽何以英飛凌? —— SiC MOSFET性能評估的真相
在碳化矽(SiC)技術的應用中,許多工程師對SiC的性能評估有誤解,尤其是關於「單位面積導通電阻(Rsp)」和「高溫漂移」的問題。作為「碳化矽何以英飛凌」的系列文章,本文將繼續為您揭開這些迷思的真相(迷思一見:碳化矽何以英飛凌?——溝槽柵技術可靠性真相),並介紹英飛凌如何透過科技創新應對這些挑戰。
➐ 柵極氧化層在SiC MOSFET設計中的 重要作用
碳化矽功率半導體在光電、充電、電動車等產業得到了廣泛應用,其潛力毋庸置疑。然而,從目前高功率碳化矽MOSFET來看,仍存在一個難題:即如何實現平衡性能、穩健性、可靠性和易用性的設計。比導通電阻是衡量SiC MOSFET技術先進性的關鍵參數,但其它標準,例如可靠性,也是限制裝置表現的重要因素。對於不同的應用,導通電阻與可靠性之間的折衷也略有差異。因此,合理的裝置定義應確保設計彈性,以滿足不同的任務需求,無需大量設計工作和設計佈局變更。
➑ 驅動電路基礎與設計實戰寶典
驅動電路設計是功率半導體應用的困難點,涉及功率半導體的動態過程控制及裝置的保護,實踐性很強。為了方便實現可靠的驅動設計,英飛凌的驅動積體電路附帶了一些重要的功能,本系列文章將詳細說明如何正確理解和應用這些驅動器的功能。
❾ 功率元件熱設計基礎文集
功率半導體元件熱設計系列文章上線!本專欄匯集了14篇由英飛凌資深專業人士撰寫的功率半導體裝置熱設計系列文章,約3萬字,涵蓋熱阻、結溫、熱容等多方面知識,從熱阻基礎到瞬態熱測量,從結溫獲取到PCB設計,為你的熱設計難題提供專業、權威且實用的技術參考。
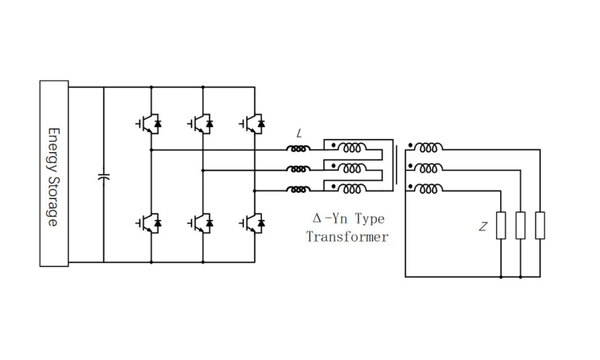
➓ 三相四線變換器拓樸與原理簡介
三相四線製配電具有穩定性高、適用範圍廣等優點,多應用於工商業、民用等低壓配電場景,在傳統的APF、UPS等應用裡,三相四線變換器已被大量採用,近年來,工商業側儲能正以其經濟性、電網友好性等特點蓬勃發展,其中不平衡帶電應用場景下,負載的變載變載變載能力; SiC MOSFET結合三相四橋臂變換器在此應用場景具有明顯的應用優勢。
產品諮詢
Product Consultation
如您有興趣得產品想要了解,請填寫以下表單,我們誠摯的歡迎您的訊息
STEP
STEP
Total 0
聯繫電話
姓名、 稱謂、 公司名稱、 聯繫電話、 E - Mail 、 主旨、 驗證碼 欄位格式輸入錯誤

姓名
稱謂
公司名稱
聯繫電話
主旨
其他問題
